





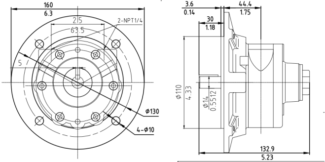
四、外形尺寸

五、注意事项
(1)气动马达须由干燥、洁净,经过润滑的压缩空气驱动,须在气路系统中安装空气过滤器、调压阀、油雾器,即二联件或三联件。二联件、三联件须靠近气动马达安装(0.5米内)。
(2)接管内径不小于8mm路连接完毕接入气动马达前须通气清理气管内部可能出现的碎屑杂物,这些异物进入气动马达内部会造成马达卡死。
(3)气动马达运行时须持续润滑(润滑油经油雾器雾化后随压缩空气进入气动马达),润滑会减少气动马达叶片的磨损以及马达内部零件的锈蚀,延长使用寿命。润滑油标号为ISO-VG32号油雾器专用油或其他同等标号润滑油。润滑量为每分钟1-2滴。
